股票加杠杆是什么意思-股票入门小知识-【东方资本】,股票做t价格怎么算,股票配资网,股票配资前十名

Search

Package

Domestic professional research and development manufacturer of semiconductor devices

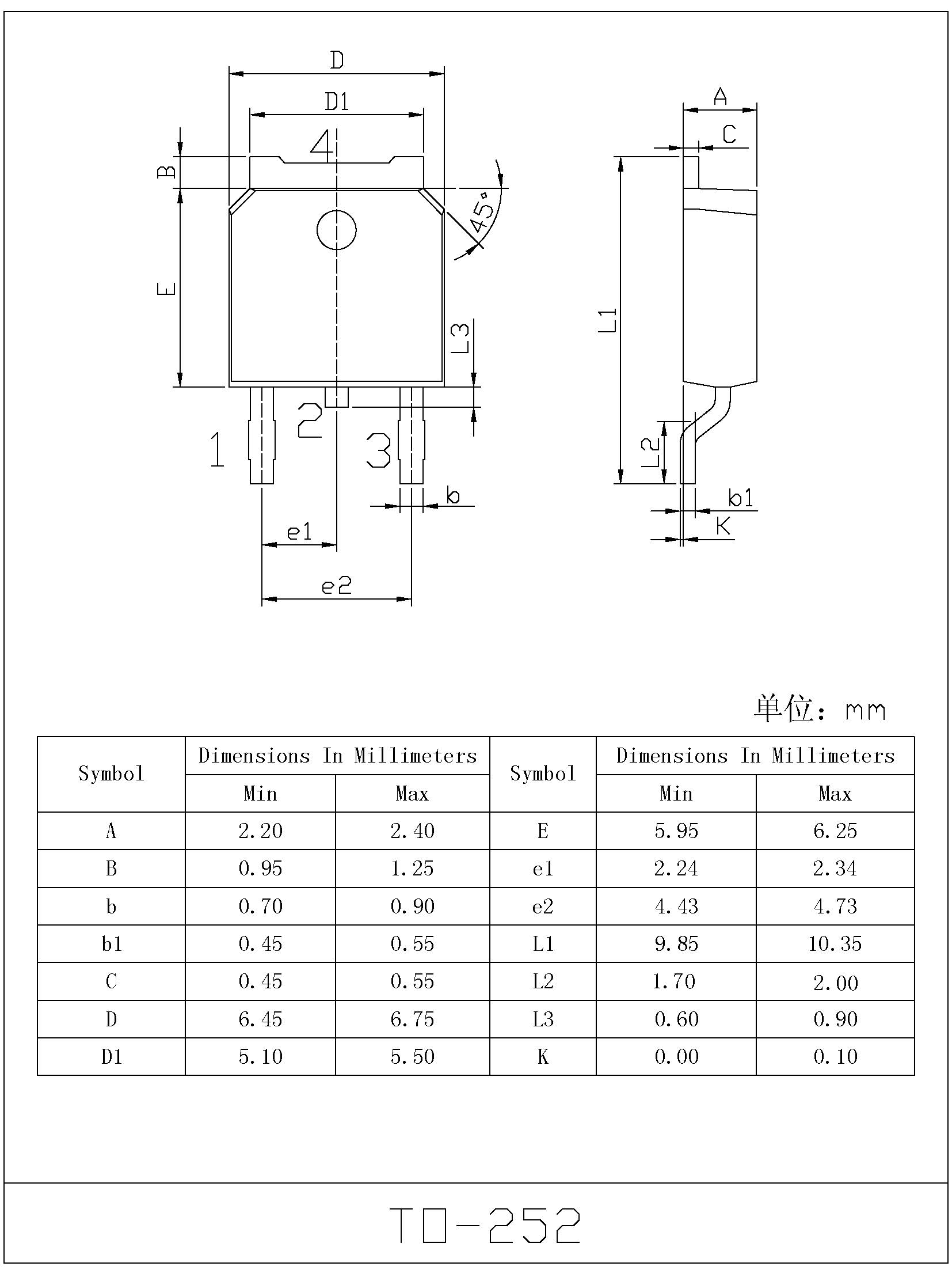
TO-252# Detailed introduction